FMAとは?評価方法と注意点について(上肢編)

脳卒中などによる片麻痺のリハビリでは、回復の度合いを客観的に把握する評価が欠かせません。 その中でも国際的に広く利用されているのが Fugl-Meyer Assessment(フーグル・マイヤー評価:FMA) です。 FMAは上肢・下肢の運動機能を回復段階に沿った5段階条件で細かく評価し、さらに手関節・手指機能や協調性まで含めて0・1・2点の3段階で採点します。 加えてバランス・感覚機能・他動関節可動域・関節運動時痛も評価対象とし、運動機能のみで100点、全体で226点満点という詳細な構成を備えています。 他の評価法と比べ、機能回復の把握に優れた精密さを持つ一方で、検査に時間を要する点が臨床上の課題とされています。 このブログでは、Fugl-Meyer Assessment(FMA)上肢の評価の流れや各項目の特徴、実際の評価表や注意点を交えながら詳しく紹介していきます。
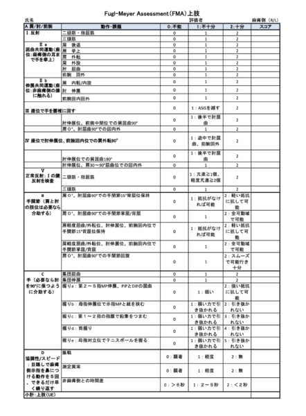
A 肩/肘/前腕
Ⅰ 反射
反射の項目では上腕二頭筋と手指屈筋群、上腕三頭筋の伸張反射の評価を行います。 判定:0(不能)、1(不十分)、2(十分)で判定。
Ⅱ 随意運動(屈曲共同運動)
屈曲共同運動の項目では座位で麻痺側の手を同じ側の耳まで挙上してもらいます。その際の肩の後退、挙上、外転、外旋、肘の屈曲、前腕の回外の状態の評価を行います。
Ⅱ 随意運動(伸展共同運動)
伸展共同運動の項目では同じく座位で行います。麻痺側の手を非麻痺側の膝に触れるよう手を伸ばしてもらいます。その際の肩内転および内旋、肘の伸展、前腕の回内の状態の評価を行います。
Ⅲ ①随意運動(一部の分離運動)
一部の分離運動の評価では座位で麻痺側の手を腰椎に回します。 判定:0(不能)、1(上前腸骨棘を越す)、2(十分)で判定。
Ⅲ ②随意運動(一部の分離運動)
②は座位で肘伸展位、前腕中間位での肩屈曲90°まで挙上します。 判定:0(不能)、1(後半で肘が屈曲)、2で判定。
Ⅲ ③随意運動(一部の分離運動)
③は座位で肩0°、肘屈曲90°位での前腕を回内外行います。 判定:0、1、2で判定。
Ⅳ ①随意運動(正常、おおむね正常)
①では座位で肘伸展位、前腕回内位での肩外転90°まで挙上します。 判定:0、1(途中で肘屈曲、前腕回外)、2で判定。
Ⅳ ②随意運動(正常、おおむね正常)
②では肘伸展位での肩屈曲180°まで挙上します。 判定:0、1(後半で肘屈曲)、2
Ⅳ ③随意運動(正常、おおむね正常)
③では肘伸展位、肩30〜90°屈曲位での前腕回内外を行います。 判定:0、1、2で判定。
Ⅴ 正常反射
Ⅰの上腕二頭筋、手指屈筋群、上腕三頭筋の腱反射を検査 判定:0、1(亢進≧1個、軽度亢進≧2個)、2で判定。
B 手関節
①
肩0°、肘屈曲90°での手関節15°背屈位保持を実施。 判定:0、1(抵抗がなければ可能)、2(軽い抵抗に抗して可能)で判定。
②
肩0°、肘屈曲90°での手関節掌屈および背屈運動を実施。 判定:0、1、2(全可動域で可能)で判定。
③
肩軽度屈曲、外転位、肘完全伸展位、前腕回内位で手関節15°背屈位保持を実施。 判定:0、1(抵抗がなければ可能)、2(軽い抵抗に抗して可能)で判定。
④
肩軽度屈曲、外転位、肘完全伸展位、前腕回内位で手関節掌屈および背屈運動を実施。 判定:0、1、2(全可動域で可能)で判定。
⑤
肩0°、肘屈曲90°での手関節回旋運動の実施。 判定:0、1、2(スムーズで可動域十分)で判定。 ※必要であれば肩と肘の肢位は介助する。
C 手
集団屈曲
全指の屈曲運動の実施。 判定:0、1、2で判定。
集団伸展
全指の伸展運動を実施。 判定:0、1、2で判定。
握りa
第2〜5指MP伸展位でPIPとDIPの屈曲を行う。 判定:0、1(弱い)、2(強い抵抗に抗して可能)で判定。
握りb
母指伸展位で示指MPと紙を挟む。 判定:0、1(弱い力で引き抜かれる)、2(引き抜かれない)で判定。
握りc
第1〜2指の指腹で鉛筆をつまむ。 判定:0、1(弱い力で引き抜かれる)、2(引き抜かれない)で判定。
握りd
筒握り 判定:0、1(弱い力で引き抜かれる)、2(引き抜かれない)で判定。
握りe
母指対立位でテニスボールを握る 判定:0、1(弱い力で引き抜かれる)、2(引き抜かれない)で判定。 ※必要であれば肘を90°に保つよう介助する。
D 協調性/スピード
目隠しで麻痺側示指を鼻につける動作を5回、できるだけ早く繰り返すし振戦、測定異常、非麻痺側との時間差を評価します。
振戦
振戦の有無を確認。 判定:0(顕著)、1(軽度)、2(無)で判定。
測定異常
測定異常の有無を確認。 判定:0(顕著)、1(軽度)、2(無)で判定。
非麻痺側との時間差
非麻痺側との時間差を確認。 判定:0(6秒以上)、1(2〜5秒)、2(2秒未満)
【参考文献】
編 細田多穂・柳澤健(2010)『理学療法ハンドブック-第1巻 理学療法の基礎と評価』協同医書出版社.

